Featured
Precision Voltage Reference For Adc
Precision Voltage Reference For Adc. When reading an rtd temperature using an adc, the following topology is usually used: One of the biggest potential sources of errors in an adc is the reference voltage.

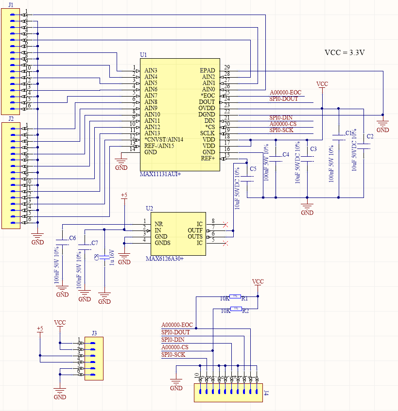
Provided on the chip, an external precision reference can also be connected to a cmos adc or dac. As you will see in this document, the range of applications demonstrated show that while voltage references may not be a new concept, they are going to remain an integral part of system design moving forward. Another method would be to use one of those precision 3 terminal 2.5vdc voltage reference chips.
I Am Asking Because Many Voltage Reference Devices Inform Noise Voltage Parameter, Normally In A Specific Range Of Frequency And In Micro Volts.
So, the high precision bandgap reference has attracted a lot of attention because of its characteristics. This section explains reference voltage, resolution, quantization, and sampling frequency. Available output voltages include 1.2v, 1.25v, 2.048v, 2.5v, 3.0v, 3.3v, 4.096v, 4.5v, 5v and 10v.
Reference Voltage The Adc Requires A Reference Voltage To Which The Analog Input Is Compared To Produce The Digital Output.
Just wire it to one of the analog input pins and use that value as a ‘correcting source’. The digital output is the ratio of the analog input with respect to this reference voltage. Provided on the chip, an external precision reference can also be connected to a cmos adc or dac.
They Are Pretty Cheap And At Least 1% Or Better Accuracy Is Avalible I Think, And You Could Probably Easily Solder It Directly Onto A Arduino Board So It’s Avalible For All Your Projects.
Another method would be to use one of those precision 3 terminal 2.5vdc voltage reference chips. With a 1% accurate device at room temperature, the output voltage is 5.00v plus or minus 50 mv. These reference voltages can be provided over a wide range of supplies and load conditions with minimal voltage and current overhead.
Attributes Like Precision, Accuracy, And Low Noise Are Important For The Adc’s Voltage Reference, And The Type Of Device Used To Provide The Reference Voltage For A Data Converter Matters.
It is important to look at three reference voltage specifications: In addition, in order to. The voltage reference is external to the adc, and along with an amplifier to drive the reference, contributes to the overall system noise.
External Precision References Can Achieve Lower Noise Performance Because Of Their Higher Power Consumption.
Temperature drift, voltage noise, and load regulation (input resistance of reference input on stm8 adc converter is >60 k ω). The real magic happens in the texas instruments ref102 precision voltage reference. I am interesting to use tl431 voltage reference to generate 5v to be used in vref input of ad7683.
Comments
Post a Comment