Featured
How To Solve Clipper And Clamper Circuits
How To Solve Clipper And Clamper Circuits. The only difference is the clamper circuit contains an extra element called capacitor. A clipping circuit designed with diodes is an electronic circuit that is used to „clip‟ the input voltage to prevent it from attaining a value larger than a predefined one.

In clamper circuits a predetermined dc level is added to the output voltage. The action of the circuit is summarized below. Taking the input by sections to build the output… ¾ if v in > v b, the diode is on, r is shorted, and the output is v b.
Single Phase Half Controlled Rectifier Calculator.
In each case, replace diodes with their equivalent model: Fed to the clamper circuit. Other equivalent terms used for clamper are dc inserter or restorer.
The Construction Of The Clamper Circuit Is Almost Similar To The Clipper Circuit.
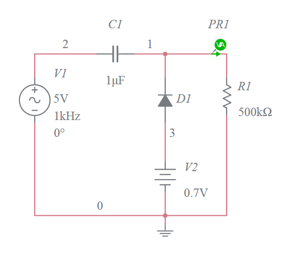
Vout 6 vrms file 02128 question 20 in this circuit, the values of capacitor c1 and resistor r1 are chosen to provide a short time constant, so they act as a differentiator network. Draw the schematic diagram for the circuit to be analyzed. Carefully build this circuit on a breadboard or other convenient medium.
Clamper Circuits Consist Of Energy Storage Elements Like Capacitors.
A clipper circuit that removes the negative half cycle is called negative clipper. A clamper is also known as a voltage multiplier or dc level shifter. After the completion of the chapter, students will be able to:
A Clamper (Or Dc Restorer) Is Used To Restore Or Change The Dc Reference Of An Ac Signal For Example, You May Have A Iov Ac Signal That Varies Equally Above And Below 2V Dc.
These calctown calculators calculate the peak positive and negative voltages when an input signal is passed through a clipper or a clamper circuit. By watching this video, you will learn how to solve the examples on clipper a. (or) the output is clamped to a desired dc level.
It Is Made Of Diode And Resistor.
Like the diode clipper, the cammper is a waveform circuit, but adds a dc level to the input waveform. A clipper circuit clips or removes a portion of an ac signal. A clipper circuit is also known as a voltage limiter, slicer, etc.
Comments
Post a Comment